productThe current position:主页 > English > product >

Filters、Gas Eliminators

Time:2018-05-24 16:36 Author:freededecms.com Click:

 

 Type LPG Filter is a certain kind of complementary equipment that petrol, chemistry and other industries who are using flow instruments have to procure.
The filter working with the flow instruments can clean off impurities, misled objects liquid contains so as to ensure the flow instrument measuring accuracy and prolong its lifetime of usage.
This company provides many different versions of Filter with wide range of specifications and newly-developed-structures. Safety, reliability and other advantages like easy-in-using, quick-mounting /dismounting make the time consuming for cleaning minimized, labor intensity reduced and gain economically achieved.



Product Standard:Q/YXBM 838-1996

Main Technical Specifications

Type
 
DN
(mm)
 
PN
(MPa)
 
Mesh Count
 

Fluid
Temperature

 
Liquid
Gas
LPGX-15I
15
1.6,6.3
 
40
 
 
 
 
 
 
 
 
 
0~120
 
 
 
 
 
 
 
LPGX-25I
25
1.6,6.3
 
100
 
 
 
LPGX-40I
40
1.6,6.3
LPGX-50I
50
1.6,2.5
LPGX-80II
80
1.6,2.5
 
 
20
 
 
 
 
LPGX-100II
100
1.6,2.5
LPGT-40A
40
 
1.6
2.5
4.0
6.3
 
 
 
 
 
 
 
 
 
 
 
LPGT-50A
50
LPGT-80A
80
LPGT-100A
100
LPGT-150A
150
LPGT-200A
200
 
10
 
LPGT-250A
250
LPGT-300A
300
NOTE:1) Mesh count can be changed as per user’s request
               2) For the temperature above 120℃ , please specify for special order

Type Code

Dimensions & Installation Reference

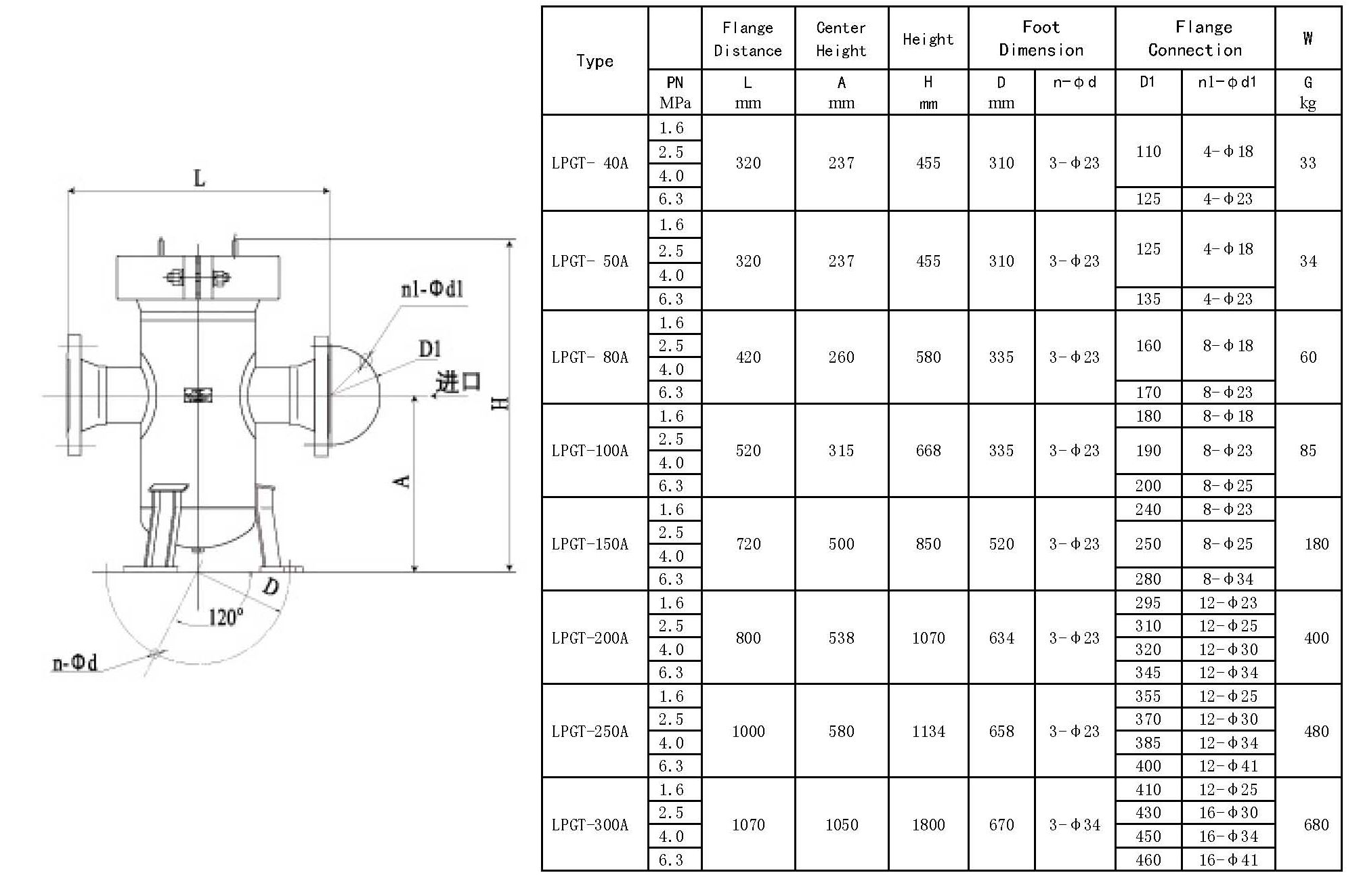
·●The Dimensions & Installation Reference of LPGT Upright Barrel Filter

 

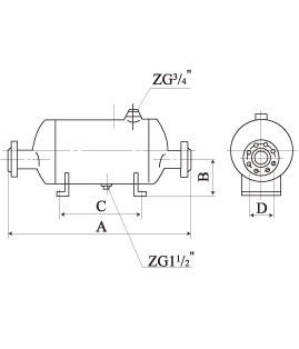
●The Dimensions & Installation Reference of LPGX Tilting Plug Filter

 
 
 
 

There are two styles for type LPX Air Eliminator, Horizontal one (type LPXF) and Upright one (type LPXL). The Eliminator works together with Flow Meter as an auxiliary equipment that is used to separate and eliminate gases contained within the liquid to be measured, because in most cases, liquids contain gases with different extent.

The measuring accuracy of the flow meter could be affected if such gases are also passing through the meter. Consequently, Air Eliminator is one of the essential components in flow measuring system, especially in the high-accuracy system.

Main Technical Specifications

DN

(mm)
Max. Flow

m^3/h
Nominal Pressure
MPa
Medium Temperature
Medium Viscosity
mPa.s
Max. Pressure Loss
MPa
50
25

1.6

2.5

 
 
 
 
 
 
0~120℃
 
 
 
 
 
 
3~150
 
 
 
 
 
 
0.07
 
 
 
 
 
 
80
60
100
100
150
250
200
400
250
600
300
1000
350
1600
Note:1、 Temperature above 120oC needs special order
          2、PN4.0MPa、6.3MPa needs special order


Type Code



 


Dimensions & Installation Reference  

·●Dimensions of Horizontal Air Eliminator

··●Dimensions of Upright Air Eliminator



···●Dimensions of flanges

Installation

Air Eliminator should be arranged in the up-stream of the Filter and Flow Meter, and located as close as possible to the Flow Meter. Before installation, pollutant, trash and welding residue within the pipelines must be washed off. In the mean time, arranging a by-pass pipeline is necessary. Please refer to the regular arrangement shown on Fig as follow.



Note:

1. For the safety reason on the job-site, any gas exhausted from the Eliminator must be transferred through certain exhaust pipeline into a specially-made container located in safe place; it is strictly inhabited to exhaust the gas directly in the room.
2. To improve the working performance of the Eliminator, it is necessary to install a back-pressure valve on the outlet of the flow measuring pipeline or escalate the related pipeline above a certain height, either of which develops a back-pressure ranging from 0.015 MPa to 0.03 Mpa.  Range of the back-pressure to be taken depends on liquid status, but it is generally taken as 0.022MPa. The pipeline escalation height can be calculated by the following formula:
              h=2.2/r
        where:h --- pipeline escalation height(m)
                          r ---- density of the liquid to be measured(g/cm^3)