productThe current position:主页 > English > product >

Convertor、Flow Totalizer、Control System

Time:2018-05-24 16:42 Author:freededecms.com Click:


 

TyPE LPJ-12D
Type LPJ-12D/FI Photoelectron Pulse Converter

Type LPJ-12D Photoelectron Pulse Convertor is used to change the angular displacement on output shaft of positive displacement flowmeter into electrical pulse signal for transmission to relevant receiving instruments.
This converter can operate within the voltage range of 12~24V with square wave signal output through three channels for the use of displaying instruments. These output signals could be used to measure the flow passing through flow meter.
TypeLPJ-12D/FI Photoelectron Pulse Converter can provide analogue signal output of 4~20 mA besides all functions of LPJ-12D converter.


Product Standard : Q/TDSM 11-2014


                   Main Technical Specifications

Adaptable range of rotating speed: 2~480r/min
Output of converter  
  A、B、P* signals: Pulse signal , 1000 pulses/round
High level ≥ V DD-2V
Low level ≤ 1V
  lout signal*: Standard direct current signals of 4~20 mA (with load resistance 250Ω)
  Z signal: Pulse signal ,1 pulses/round
High level ≥ V DD-2V
Low level ≤ 1V
Power Supply: 12~24V DC ( for LPJ-12D use only)
24V DC ( for LPJ-12D/FI use)
 
Ambient conditions  
  Temperature: -10~+60℃
  Relative humidity: ≤85%
Explosion-proof classification: dⅡBT4
Weight: Approx. 1.5kg

                                                Note: Those items with sign﹡denote conditions of Type LPJ-12D/FI converter only


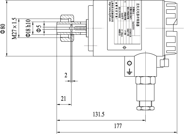
Dimensions & Installation Reference (Unit:mm)

 

Model designation

 

Wiring terminal diagrams

Type ·LPJ-12D

·Type LPJ-12D/FI

 
 
 
 

Type XSJ-39A
Type XSJ-39AK
Type XSJ-39AI
Type XSJ-39AIK

 Series XSJ-39A Digital Flow Totalizers are usually working with flow meter or sensor that generates pulse signals or standard direct current signal as output, in which compensation is not needed, like with Turbine Flow Meter, Oval Gear Flow Meter and Rotating Piston Flow Meter. XSJ-39A is a model with non-standard current signal output, while XSJ-39AI is a model with standard current signal output .

Functions as follows:
1) Fluid Instant Flow Rate (Volume/Time) and Total Flow accumulated can be displayed on the same screen; optional display unit for instant flow is m3/h or m3/min, L/h or L/min, being displayed by LED;
2) Up-limit and Low-limit alarm with hysteresis ;
3) Standard Current Signal Output 4 to 20mA, 0 to 10mA or Standard Voltage Signal Output1 to 5V , 0 to 5V , proportional to flow rate, is available with XSJ-39AI;
4) Power failure protection.

Structural integration, good stability, dependable reliability, high accuracy, quick response, easy access and care are advantages of this Meter; So it is widely used in petrol, chemical, metallurgical and power industries.

Product Standard : Q/TDSM 06-2014


Main Technical Specifications

Total Flow Display: decimal 11 digits (LED display)
Total Flow Error: ≤±0.2%  
Quantitative Control Error: ≤±0.1%  
Instantaneous Flow Display: decimal 5 digits (LED display),max 19999
Instantaneous Flow Error: ≤±0.3%  
Input Signal    
  Pulse Signal: Frequency range 1Hz~5000Hz  
  Amplitude 0.8V~24V  
  Wave form Sine wave or basically symmetric square wave
  Current Signal 4~20mA  
Output Signal    
  Current Output Signal: 4~20mA or 1~5V  
  Current Limit of Error: ≤±0.5%F.S  
  responding time: ≮3s  
  Up/Low limit alarm output:

two independent Normal-Open Contacts with capacity less than DC24V×1A or AC220V×1A

Data reserved period when power failure: Accumulate Total
Setup Parameters
≮2 years
≮10 years
Working Condition :    
  Ambient Temperature: 0~+40℃  
  Relative Humidity: ≤85%  
  Power supply: 220V AC,50Hz
24V DC(special order)
 
Power Consumption: <5W  
Weight: abou 1.5kg  
 

Front Panel Description

 

Wiring terminal diagrams

 

Model designation



Dimensions & Installation Reference·

 

 
 
 
 

DGX1000 Quantification Controller combined with Flow Sensors (Flow Transmitters) is mainly used in oil, petrochemical and pharmaceutical industries for quantification control and management of material receiving, dispatching and processing. It is also widely used in petrochemical, foodstuff, ship-building and hydraulic machinery industries for flow online measuring and controlling.


Features:
● Explosion-proof enclosure is adopted: Class dIIBT4
● Enclosure Protection: IP65
● Flow quantitative control accurately
● Total Flow, Batch flow and Instant Flow being displayed
● Current Date and Time display; convenient and comprehensive data access
● Both on-site and remote Supervision & Surveillance are available; two- way-communication interface RS-485, RS-232 ready for on-site or remote diagnosis and surveillance
● Protection of Data: All Settings are hold forever if power failure; Historical data preserved for one year; operational status remains as it was at the time of power
failure. ??????????????

Complete Sets of Equipment

 

Main Technical Specifications


·Type Selection Code