productThe current position:主页 > English > product >

Type YF100 Vortex Flow Meter

Time:2018-05-24 17:22 Author:freededecms.com Click:

 

Series of vortices will be shed alternatively from both sides of the shedder (that is a cylindrical or triangular bar) when it is inserted in the fluids. Under certain conditions, the frequency of shed vortices should be proportional to volume flow rate. Based on this principle, the flow measurement could be carried out through measuring frequency of vortices by means of vortex flow-meters. 
Two versions are available: one has a built-in (integral) converter, and the other is used with a remote converter.


Features
● Wide application—liquids, gases and steam can all be measured;
● High accuracy and wide flow range;
● Simple structure does not contain any moving parts, and its measuring sensor can not come into contact with fluid. This feature ensures high reliability and easy maintenance;
·

Different Displays at user’s option for different functions:
●Type TBS: Field Instant Flow Rate (5-digit LCD) and Totalized Flow (7-digit LCD)
●Type TBT: Field Totalized Flow (6-digit LCD)
●Type TBL: Field indicating of Instant Flow Rate in Percentage by pointer


Product Standard : Q/TDSM 04-2014
Verification Regulation
: JJG 1027-2007Verification Regulation of Vortex-shedding Flowmeter

Product Show:





Main Technical Specifications

Fluids to be measured Liquid, gas or steam
Measurable range Reynolds Number within 5×10^3 to 7×10^6
Normal Operating Range Reynolds number within 2×10^4 to 7×10^6(for nominal sizes 25A to 100A)
                                             4×10^4 to 7×10^6 (for nominal sizes 150A、200A)

Note: In addition to Reynolds Number, there should be a limit for fluid velocity during measurement; the maximum velocity for liquid is 10m/s, while maximum velocity for gas or steam is 80m/s; besides, minimum velocity is related to density and viscosity of fluids (see “Sizing” section).

Maximum Permissible Errors(within normal operating range)

Liquid   ±1.0% of indication
Gas and Steam   ±1.0% of indication(Flow velocity 35 m/s or less)
    ±1.5% of indication(Flow velocity 35~80m/s)

Note: This table shows the accuracy of Pulse Output version. In case of Analog Output, add up ±0.1% of full scale to the values shown above.

Repeatability ±0.2% of indication
Span Setting
 
 
For analog output, a screw-type span adjustment allows span to be adjusted in the following ranges:
Liquid :
0-1.1 m/s~0-10m/s    (DN25A~100A)
0-1.5m/s~0-10m/s    (DN150A、200A)
0-1.7m/s~0-10m/s    (DN250A)
Gas or Steam :
0-11m/s~0-80m/s     (DN25A~100A)
0-15m/s~0-80m/s     (DN150A、200A)
0-17m/s~0-80m/s     (DN250A)
Time Constant
5 s (with analog output converter)
Output Signal A)Analog: 4 ~ 20 mA DC (2 wire system)
B)Pulse: Voltage pulse (3 wire system)
              Low level: 0 to 2 V
             High level: Vs-Vd ( Vs: Input power supply voltage, Vd:                                                    Voltage drop , Vd is related to load                                                resistance. Refer to the figure below )
              
Duty cycles: Approx. 50%
C)RS-486协议:MODBUS协议(仅限YF/TBS型)

 

Power supply Voltage : Analog Output: 12 to 45 V DC
                                  Pulse Output: 12 to 30 V DC

Process Temperature -40~300℃

Process Pressure : -0.1MPa to flange ratings


Pressure Loss:

At velocity of 10m/s by water, ΔP=0.11 MPa
At velocity of 80m/s by atmospheric air, ΔP=9.1 kPa
(For the relationship between pressure loss and actual flow rate, refer to the figure below )


Ambient Temperature Limit: -40~80℃
-20~60℃ ( Explosion-proof type or with indicator )
-10~60℃ ( With totalizer )
Ambient Humidity: 5-95%RH
Material:

Body: SCS14 stainless steel
Shedder Bar: SUS329J1 Duplex stainless steel
Converter Case: AC3A-F aluminum alloy

Degree of protection of enclosure IP : IP65
Explosion-Proof Classification: Flameproof enclosure "d" : dIIBT4
Signal Cable: Model YF011 cable, used to connect remote detector and converter with its maximum length no more than 20m, and durable temperature within - 40~150℃
Electrical Connection: G1/2",cylindrical pipe thread
Option Specifications: 1)Type TBL: Field indicating of Instant Flow Rate in Percentage by pointer,0 to 100% linear division, 250°wide angle indication,only suitable for analog output, 1.5%.
2)Type TBT: Field
indicating of Totalized Flow (6-digit LCD),Totalizer value being protected by built-in battery in case of power ,suitable for both analog and pulse output versions
3)Type TBT-G : Field
indicating of Totalized Flow , built-in battery,within output
4)
Type TBS: Field indicating of Instant Flow Rate (5-digit LCD) and Totalized Flow (7-digit LCD) , suitable for both analog and pulse output versions

 


Model and its Suffix Code

旋涡流量计选型计算工具 (点击此处下载)


YF100 Vortex Flowmeter

Type
Code
Description
YF102
YF104
YF105
YF108
YF110
YF115
YF120

YF125
…………
…………
…………
…………
…………
…………
…………

…………
DN25A(without flange)
DN40A(without flange)
DN50A(without flange)
DN80A(without flange)
DN100A(without flange)
DN150A(with flange)
DN200A(with flange)
DN250A(with flange)
Converter
-AL………
-AG………
-NN………

Integral type (Liquid)
Integral type (Gas or steam)
Remote converter type

Output signal
S…………
P…………
N…………
4~20mA DC(Integral type)
Pulse output(Integral type)
Remote converter type
Pipe flange joints
comply
with
GB9113RF
GB9119RF
C1…………
C2…………

PN1.6MPa
PN4.0MPa

Style Code
-CD………
Style CD
Explosion-proof structure
   /JSF
Flameproof enclosure "d" : dIIBT4
Option Specifications
/
 

※ Optional components should be specially ordered.


YFA11 Vortex Flow Converter (Remote type)

Type
Code
Description
YFA11
…………
Vortex Flow Converter
Measured Fluid
-L ………
-G ………
Liquid
Gas or Steam
Output Signal
S…………
P…………
4~20mA DC
Pulse
Flow-meter Nominal Size
-02………
-04………
-05………
-08………
-10………
-15………
-20………

-25………
DN25A(without flange)
DN40A(without flange)
DN50A(without flange)
DN80A(without flange)
DN100A(without flange)
DN150A(with flange)
DN200A(with flange)
DN250A(with flange)
Style Code
-CD………
Style CD
Explosion-proof structure
/JSF
Flameproof enclosure "d" : dIIBT4
Option Specifications
/
 


YF011 Signal Cable (Remote type)

Type
Code
Description
YF011
…………
Signal Cable
Cable End
-0 ………
-1 ………
Without end finish※
With end finish
Cable Length
-05………
-10………
-15………
-20………
5m
10m
15m
20m
Style Code
-CD………
Style CD

※ One set of end finish is attached.

Typical Measuring Range

·Water Flow Rate


DN
NPS

Measurable Flow Rate
( m^3/h
)

Normal Operating Flow Rate
( m^3/h
)
25A
1
0.65~18
1.7~18
40A
1-1/2
1.3~44
2.6~44
50A
2
2.2~73
3.3~73
80A
3
4.3~140
4.6~140
100A
4
7.5~245
7.5~245
150A
6
17~540
18~540
200A
8
34~970
34~970
250A
10
6~1500
6~1500

Note: This table is based on standard conditions of 15℃ and 1000 kg/m3 as its density

·Air Flow Rate at selected Pressures

DN
NPS
Flow Rate
Measurable Flow Rate (Nm^3/h)
0MPa
0.1MPa
0.2MPa
0.4MPa
0.6MPa
0.8MPa
1.0MPa
1.5MPa
2.0MPa
2.5MPa
25A
1
Minimum
11.0(19.5)
15.5(19.5)
19.0(19.5)
24.5
29.0
33.3
40.6
59.0
77.5
95.9
Maximum
149
297
444
739
1034
1329
1624
2361
3098
3836
40A
1-1/2
Minimum
21.8(30.0)
30.8
39.3
59
77.2
94.3
111
149
186
229
Maximum
357
708
1060
1764
2468
3171
3875
5634
7394
9153
50A
2
Minimum
36.2(38.7)
51
62.4
80.5
102
131
161
233
306
379
Maximum
591
1174
1757
2922
4088
5254
6420
9335
12249
15164
80A
3
Minimum
69.8
98.4
120
155
197
254
310
451
591
732
Maximum
1140
2266
3391
5642
7892
10143
12394
18021
23648
29274
100A
4
Minimum
122
172
219
329
431
526
618
833
1036
1277
Maximum
1990
3954
5919
9847
13775
17703
21634
31453
41274
51095
150A
6
Minimum
267
440
607
912
1193
1458
1776
2583
3389
4196
Maximum
4358
8659
12960
21561
30163
38765
47367
68871
90375
111880
200A
8
Minimum
575
1009
1393
2094
2739
3347
3929
5301
6589
7815
Maximum
7792
15482
23172
38552
53933
69313
84693
123144
161595
200046
250A
10
Minimum
1047
1814
2504
3763
4922
6016
7063
9528
11842
14047
Maximum
12049
23941
35833
59617
83400
107181
130968
190427
249887
309346

NOTE
1) All listed flow rates have been converted to standard conditions STP (00C, 1 atm.)
2) All listed pressures are gauge pressures at process temperature of 0℃
3) Maximum flow rate is the lower of values obtained from 80 m/s or Reynolds number
4)
The values in parentheses show minimum linear flow rates (Re=20000 or 40000), which are higher than the minimum measurable flow rates; while the others are the same as theminimum linear flow rates within the normal operating range.

 

·Saturated Steam Flow Rate at Selected Process Pressure

DN
NPS
Flow Rate
Measurable Flow Rate ( kg/h)
0.1MPa
0.2MPa
0.4MPa
0.6MPa
0.8MPa
1.0MPa
1.5MPa
2.0MPa
2.5MPa
3MPa
25A
1
Minimum
13.4(18.9)
16.2(20.0)
20.5
24.1
27.1
30
36
41
49
58
Maximum
169.7
247.7
400
548
696
843
1209
1575
1945
2318
40A
1-1/2
Minimum
26.5(29.2)
32
40.6
49.0
59.2
69
92
114
135
155
Maximum
405
591
954
1310
1662
2012
2884
3759
4640
5532
50A
2
Minimum
43.9
53
67.3
79
89
98
120
156
192
229
Maximum
671
979
1580
2170
2753
3333
4778
6228
7688
9166
80A
3
Minimum
84.6
103
130
152
171
189
231
301
371
442
Maximum
1295
1891
3050
4188
5314
6434
9224
12024
14842
17694
100A
4
Minimum
148
179
227
273
330
385
514
635
751
865
Maximum
2261
3300
5324
7310
9276
11230
16099
20986
25904
30883
150A
6
Minimum
324
401
587
757
915
1067
1423
1759
2127
2536
Maximum
4951
7226
11658
16007
20310
24598
35250
45953
56720
67624
200A
8
Minimum
679
920
1348
1737
2101
2448
3266
4038
4778
5500
Maximum
8853
12920
20845
28620
36315
43966
63029
82165
101418
120913

NOTE:1) Maximum flow rate is the lower of values obtained from 80 m/s or Reynolds number.
            
2) The values in parentheses show the minimum linear flow rates (Re=20000 or 40000), which are higher than the minimum
                   measurable flow rates; while the others might be the same as the minimum linear flow rates within the normal operating range.



旋涡流量计选型计算工具(点击此处下载) 


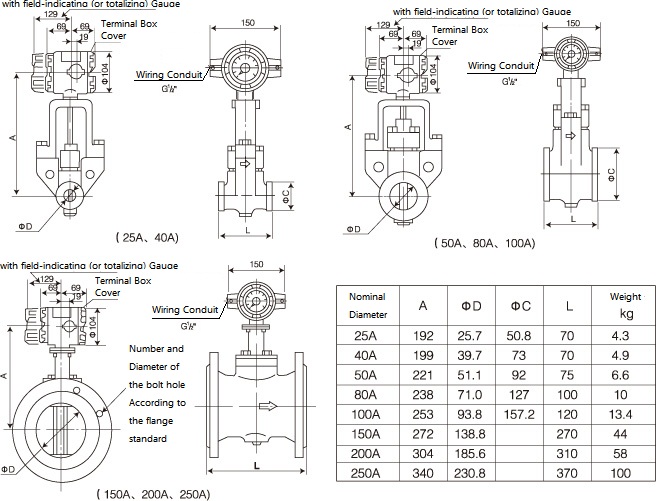
Dimensions & Installation Reference


注:直管段要求:详见“安装说明及图示”
·

Integral type
 


 

 

·Remote converter type


 

 


Vortex Flow Converter (Remote type)


Wiring


Wiring of Integral Type

 

Wiring of Remote Type


Parameter Table of Model Selection


NOTE
1.It's required to be filled in which with "★“.
2.Choose in the "□“.
3.For gas flow measurement , the flow unit must be confirm clearly, the flow unit in the working condition
is " m^3/h"; the flow unit in the stangdard condition is " Nm^3/h" .
4.The scale flowrate is only corresponded to the analog signal output 4~20mA,for excample ,the scale flowrate "0~100m^3/h" is corresponded to "4~20mA" .
5.Only one flow unit in a flowmeter .
6.Display unit :
        Type TBS: Field Instant Flow Rate ,1m^3/h、0.1m^3/h、0.01m^3/h、1L/h、0.1L/h、0.01L/h , Totalized Flow , 0.1m^3、0.01m^3、0.001m^3、0.1L、0.01L、0.001L
      ●Type TBT: only display Totalized Flow ,1m^3、0.1m^3、0.01m^3、0.001m^3

      The display unit is correlated to DN , the large unit as large DN.



Converter
The Tyoe YF/ converter is usede with YF100 Vortex Flow Meter , testing the flowmeter signal,and transforming, integrating, displaying , and has the power failure protection function。

Converter's function



Main Technical Specifications

1) Basic functions

 

Functions
TBS
TBL
TBT
Totalized Flow Display
Decimal 7 digits ,
±1 display unit
 

Decimal 6 digits
±1 display unit

Instant Flow Display

Decimal 5 digits
±0.1%±1 display unit

Percentage by pointer
 
Meter Coefficient Range
1~9999
 
1~9999
Pulse Output
Square Wave: low≤1V    
                High: Supply Voltage VDD-2V ( Load Impedance= 3KΩ
 
 
Protected Duration if Power Failure
not less than 5 years
 
not less than 5 years
Ambient Temp.
 -10~+60°C
 
 
Relative Humidity
 ≤ 85%
 
 
Power Supply
 24V DC ±10%
Power Consumption
≯2.5W
≯2W
≯2W
Weight
≈2.5KG
≈2.8KG
≈2.3KG

2) Optional functions
 

 
Electrical Current Output
 
 
 
 
Current Signal Standard 4-20mA (or 1-5V special order)
Current Output Tolerance 0.3% F.S
Time Response ≤ 0.5s
Load Resistance 250Ω
Constant Current Performance ≤±0.15%/△250Ω
RS485 Output
(only for TBS) MODBUS agreement
Explosion-proof
Classification dⅡBT4

3) Dimensions

Totalizer


Vortex Flow Meter Installation Description and Indicating

 

Description
Indicating
Pipeline Support :

Install the flow meter in the place with less vibrationIn case of big vibration, pipe support is needed;
 
Installation Direction:

If pipeline is always fully filled with liquid, pipeline maybe vertically installed, or installed at any angle-directions;
 
Adjacent Pipeline:

Inner diameter of adjacent pipeline must be slightly bigger than Inner diameter of YF100 Flow Meter;
Use the adjacent pipeline as below:
25-50mm flow meter: JISSch40(GB G60) and below80-200mm flow meter: JISSch80 (GB G100) and below
 

Reducing pipe:

For reducing pipe, to secure straight segment pipe length, at least 5D for its up-stream and 5D for down-stream;
(D: inner diameter of YF100 flow Meter)

Expanding Pipe:

For expanding pipe, to secure straight segment pipe length, at least 10D for its up-stream and 5D for down-stream;

Bending Pipe:

For bending pipe, to secure straight segment pipe length, at least 10D for its up-stream and 5D for down-stream;
Valve location and Straight segment pipe length:

Valves should be located at flow meter down-stream
.Up-stream straight segment length depending on up-stream pipeline conditions
(like expanding pipe,reducing pipe, bending pipe etc, see above; and at least, 5D for down-stream)
If up-stream valve is necessary, to secure the up-stream straight segment pipe Length at least 20D above, 5D for down-stream
Pulsing fluctuation flow effect:

If Piston or Roots Air Blower or Compressor is used in gas pipeline, or, Piston or cylinder pump is used in high pressure liquid pipeline, fluid may vibrate;Valve is usually arranged at flow meter down stream; if being located in up-stream is unavoidable, to arrange an Attenuator at flow meter up-stream, such as orifice plate or expansion chamber etc.

Piston or Cylinder Pump:

To Arrange an energy reservoir at flow meter up-stream to minimize liquid Vibration
 


Description
Indicating
Valve location (pulsing pressure fluctuation caused by T-shape pipe) :

If T-shape pipe is used, to arrange a valve at flow meter up-stream
can avoid pulsing pressure influence; example as shown on the right,
when valve is being closed, fluid is flowing in direction B, no flow
passing through flow meter; however, pulsing pressure is still being
detected, meter zero point is fluctuating; change the valve location to V1’ to avoid what happens

Pressure measuring hole & Temperature measuring hole:

If pressure measuring is needed, pressure measuring hole shall be arranged at flow meter down-stream about 3.5D to 5.5D
If temperature measuring is needed, temperature measuring hole shall be arranged at pressure measuring point down-stream about 1D to 2D;

Gasket:
Do not let the Gasket protrude beyond inner pipe, otherwise measuring error occurs; even for clamping-style flow meter , gasket with bolt hole should be used;
If helix gasket (without bolt hole) is used; it needs to be tailor-made by gasket supplier; because standard ones do not fit some flanges.
Thermal Insulation:

Pipes on which assembly-style flow meter or separation-style flow sensor are installed for high temperature fluid transfer must be packed with thermal insulation materials; Never pack the convertor support with thermal insulating materials
Pipeline cleaning

Before operation, new pipeline or after-maintenance-pipeline need cleaning; wash out rust, sediment, residues and dirt;
During washing, water should be by-passed through by-pass pipe so to prevent flow meter from being damaged;
if by-pass pipe is unavailable, using a short pipe instead of flow meter