产品介绍当前位置:主页 > 中文网站 > 产品介绍 >

转换器、积算仪、控制器系列

时间:2018-05-23 13:28 作者:admin 点击:


 

LPJ-12D型
LPJ-12D/FI型 光电式电脉冲转换器

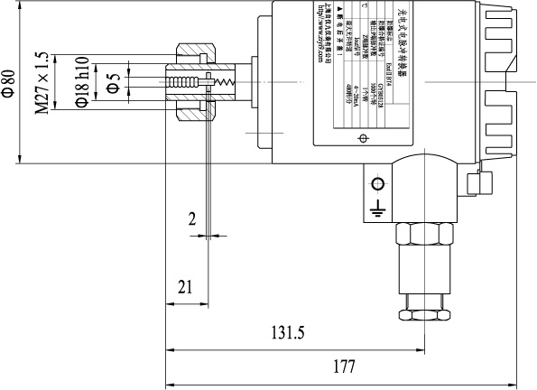
    LPJ-12D型光电式电脉冲转换器是一种新型的隔爆型光电转换器,主要功能是把各种流量计输出轴的角位移转变成电脉冲信号远传到相应的接收仪表。该转换器可以在12~24V电压范围内工作,信号以方波形式分三路输出,供显示仪表对流过流量计的流量进行计量。
    LPJ-12D/FI型光电式转换器,除具有LPJ-12D的功能外,还具有输出模拟信号4~20mA功能,能同时输出流量脉冲信号及标准直流电流信号远传给接受仪表。


本产品标准号:Q31/0114000094C004-2017


主要技术指标

转速适应范围: 2~480r/min
转换器输出  
A、B、P*信号: 1000次/转
高电平≥V DD-2V
低电平≤1V
lout信号: 4~20mA标准直流电流信号(负载电阻250Ω)*
Z信号: 1次/转
高电平≥V DD-2V
低电平≤1V
转换器供电: 12~24V DC(LPJ-12D型)
24V DC(LPJ-12D/FI型*)
 
环境条件  
  温 度: -10~+60℃
  相对湿度: ≤85%
防爆等级: dⅡBT4
重 量: 约1.5kg

                                                       注:带*功能者为LPJ-12D/FI型转换器


外形及安装尺寸 (单位:mm)

 

型号表示

 

接线端子图

·LPJ-12D型

·LPJ-12D/FI型

 
 
 
 

 XSJ-39A型
XSJ-39AK型
XSJ-39AI型
XSJ-39AIK型

 XSJ-39A系列型流量数字积算仪是以单片微机芯片为核心的新型化仪表,能与涡轮、旋涡、旋转活塞、腰轮等能产生电脉冲信号或标准直流电信号的流量仪表配套,实现远传显示、控制,用于无需补偿的场合。

可实现下列功能:
·同时显示瞬时流量和累积流量
·断电保护数据
·有两路继电器触点信号输出,实现上、下限报警或定量控制
·输出4~20mA、0~10mA或l~5V、O~5V标准直流电信号
本积算仪具有性能稳定、可靠、精度高、反应快、操作维修方便等特点。

本产品标准号:Q31/0114000094C007-2017


主要技术指标

累积容量: 十一位数码管显示,最大99999999999
累积流量基本误差: ≤±0.2%  
定量控制量的基本误差: ≤±0.1%  
瞬时流量: 五位数码管显示,最大19999
瞬时流量基本误差: ≤±0.3%  
电脉冲输入信号    
  频 率: 1Hz~5000Hz  
  幅 值: 0.8V~24V  
  波 形: 正弦波或矩形波  
  电流信号: 4~20mA  
输出信号:    
  标准直流信号: 4~20mA或1~5V  
  电流基本误差: ≤±0.5%F.S  
  反应时间: ≮3s  
  触点输出: 两路继电器触点(常闭)
容量为:交流220V,0.5A;直流24V,1A
失电数据保护时间: 累积量≮2年
设定参数≮10年
 
工作条件:    
  环境温度: 0~+40℃  
  相对湿度: ≤85%  
  供电电源: 220V AC,50Hz
24V DC(特殊订货)
 
耗电功率: <5W  
重 量: 约1.5kg  
 

面板各部表示

 

接线端子图

 

型号表示



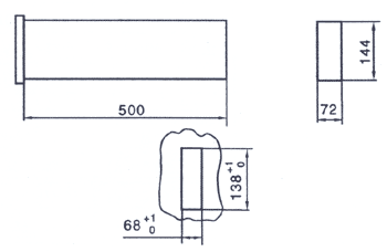
外形及安装开孔尺寸

·

 

 
 
 
 

DGX1000防爆型定量控制器,主要用于油料、石油化工产品的储运、收发以及石油化工产品的过程定量控制和管理,具有现场累积总量和批次量显示,同时具有模拟和脉冲信号输出,失电数据保护,参数遥控设置,双向通讯等功能。是理想的罐装控制装置,具有数据管理方便,查询快捷,性能稳定,安装方便,操作简单等优点。
特点:
●一体化设计、结构合理,可直接应用于工业现场
自带电源,可直接用220V AC供电,也可使用24V DC;
自带显示和按键,方便现场操作;
同时显示单批次累计和不可清零的总累计;
同时显示累计量和瞬时量;
显示当前日期、时间方便查询各种数据;
现场直接壁挂式安装。
●配置合理,具有很强的现场适应能力
具有多种传感器类型的信号输入、输出;
可检测流量、液位、启停状态等信号;
具有正常控制和非正常控制,调试状态的选择;
可满足开关、溢油报警、连续调节等不同类型的控制要求。
●现场监控和远程监控兼备
通过现场显示、按键或远程计算机可对现场设备进行监控;
所有数据均可同步传输打印;
配有双向通讯接口,可实现现场或远程诊断、维护、升级。
●工业标准设计,能够工作于各种恶劣环境
内部器材均选用工业级产品;
使用环境温度可达-40℃~70℃,湿度100%;
防爆等级:隔爆型dⅡBT4
防护等级:IP65。
●数据保护功能
断电时所有设定数据永久保存、历史数据保留1年以上;
自动保留断电时的状态;
参数设定带加密保护。

配套应用

 

主要技术指标



·选型编码

 

 

 


 

 
 
 
 

  SXP-3113型智能流量积算仪(以下简称积算仪),不仅适用于所有能产生脉冲信号的流量变送器,还可适用于跟流量成正比输出的模拟型流量变送器,可同时接收温度、压力模拟补偿信号,实现对各种介质的流量积算,特别是在蒸汽测量方面,增加了对蒸汽热量的测量功能,积算仪不仅能显示蒸汽的流量、质量总量,还能显示蒸汽的焓、热量总量,使积算仪更适合于对蒸汽流量进行贸易结算的领域。积算仪采用模块化结构,用户可以根据实际的使用需要增加或减少功能模块,达到仪表使用的最佳配置。

本积算仪配置了以下功能模块:
1.为脉冲输出型流量变送器所配套的脉冲输入模块;
2.为模拟输出型流量变送器配套的模拟输入模块;
3.为4~20mA电流或1~5V电压输出的温度变送器所配套的温度模块;
4.为4~20mA电流或l~5V电压输出的压力变送器所配套的压力模块;
5.即时打印模块;
6.电流输出模块;
7.电源模块(交流220V模块)

    经过各种功能模块的配套可以对液体、饱和蒸汽、过热蒸汽、一般气体进行计量,可实现下列功能:
·显示流体的体积总量(L,m^3,10^3m^3)
·显示流体的质量总量(kg,t,10^3t)
·显示蒸汽的热量总量(MJ,GJ,10^12J)
·显示蒸汽的密度值(Kg/m^3)
·显示蒸汽的焓值(KJ/kg)
·显示流体的质量流量及百分比(Kg/h,%)
·显示流体的体积流量及百分比(m^3/h,%)
·显示温度、压力测量值(℃,kPa)
·显示积算仪的各种参数设定值;
·输出4~20mA或0~10mA的直流电流信号;
·可以实现非在线的温度、压力补偿;
·具有密码锁功能,对积算仪参数进行锁定,防止参数任意更改;
·具有温度、压力的断线、超限报警,流量的超限报警。

    积算仪选用了MCS-5l系列的8031芯片及键盘显示芯片8279等,采用了“Watchdog”等一定的抗干扰措施,性能稳定可靠,操作方便,广泛用于石油、化工、冶金、电讯等行业对液体、饱和蒸汽,过热蒸汽,一般气体等流体进行流量积算。

本产品标准号:Q/
TDSM 10-2005

主要技术指标

脉冲型输入信号

输入阻抗:≥3kΩ

频率:10-3000Hz

幅度:正弦波:幅值≥0.5V

           脉冲波:低电平0~2V,高电平9~24V

波形:正弦波和脉冲波

模拟型输入信号:4~20mA或l~5V

温度、压力补偿信号:4~20mA或1~5V

输出信号:4~20mA或0~10mA

负载电阻:4~20mA:≤250Ω;0~10mA:≤750Ω

环境温度:0~+40℃

相对湿度:≤85%

供电电源:交流220(+10%~-15%)V,50±5%Hz

重 量:约3kg

温度、压力信号输入、参数、精度见下表

介质
液体
温度补偿
+ 液体
温度补偿
饱和蒸汽
压力补偿
饱和蒸汽
过热蒸汽
一般气体
内容
温度补偿范围
 
0~400℃ 
120~400℃ 
 
120~600℃ 
0~200℃ 
压力补偿范围
 
 
 
0.1~4.0MPa
0.02~4.0MPa 
0~5.0MPa 
仪表常数
0.1~99999.9
0.1~99999.9 
0.1~99999.9 
0.1~99999.9 
0.1~99999.9 
0.1~99999.9 
气体偏差系数
 
 
 
 
 
0.1~99999.9 
液体膨胀系数
 
0.1~999×10^-5
 
 
 
 
总量基本误差限
±(0.1%VL+d) 
±(0.5%VL+d) 
±(1.0%ML+d) 
±(1.0%ML+d) 
±(1.0%ML+d)  
±(0.5%VL+d) 
热量基本误差限
 
 
±(1.0%QL+d) 
±(1.0%QL+d) 
±(1.0%QL+d) 
 
流量基本误差限
±(0.5%qL+d) 
±(0.5%qL+d) 
±(1.0%qL+d) 
±(1.0%qL+d)  
±(1.0%qL+d)  
±(0.5%qL+d)  
输出电流误差限
±(0.5%Im+d)  
±(0.5%Im+d) 
±(1.0%Im+d) 
±(1.0%Im+d) 
±(1.0%Im+d) 
±(0.5%Im+d) 
注: qL为流量理论值;VL为体积理论值;ML为质量总量理论值;QL为热量总量理论值;d为最末一个显示单位;Im为电流输出满度值。
  模拟输入型的各种基本误差在原误差限基础上再加0.1%Fs(Fs为流量变送器的满度值)

型号表示

面板各部表示

外形及开孔尺寸

 

接线端子图

接线图(以旋涡流量计为例)